Was ist das ? Yeah, that’s what comes to mind when seeing an Apfelbeck cylinder head. A very unusual design seen in the sixties in motor sport and particularly with BMW and their early Formula 2 as well as in the BMW Monti Bergspider campaign. Some people do make the mistake of linking it with the later M12/7 but no, that is a completely different concept and let’s explain it.
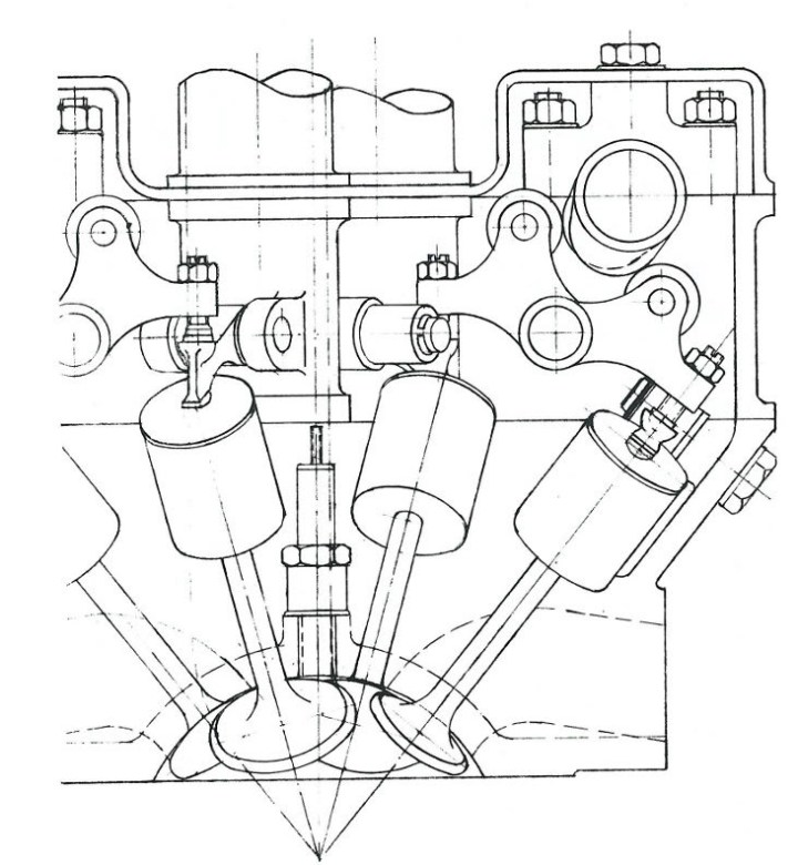
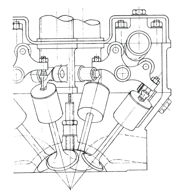
The Apfelbeck head comes from its creator, Ludwig Apfelbeck which first started with motorbike engine designs. The principle of that particular design was to put all valves as radial, four per cylinder but in a particular order, intake-exhaust-intake-exhaust, 90° apart from each others in order to have better heat exchange due to bigger walls meant for better heat dissipation.
Yes that sounds strange but the concept exploited the valve order – Intake-Exhaust-Intake-Exhaust – as well as the hemispheric combustion chamber design to accommodate the generated heat. Normal 16-valves head have their exhaust and intake valves facing each others which makes it difficult to dissipate the generated heat. As an addition to the Apfelbeck design, the hemispheric combustion chambers proved to create a swirl helping fuel-air mixture with direct improvement to the compression ratio. Below, you can see the valve positions, the tube being the intake and the arrow showing the “swirl” principle of the hemispheric chambers as well as the cooling order, one intake valve cools its adjacent exhaust valve.

Another complicated arrangement needed for the engine to work properly was the overhead camshaft system which needed to accommodate the valve opening order as below, 2 ordinary camshaft remained but rocker system was arranged so they would act in a complete different way through secondary rockers to accommodate the radial design.




The theoretical benefits of the Apfelbeck cylinder head design consisted of a very good charge cycle through higher valve lift and thermal resistance, maximizing the compression ratio proved difficult and high piston crown were fitted in order to cope with the large volume combustion chambers of the hemispheric design but that was additional weight as well. The other drawback was the extremely complex valve train which proved very efficient only in high-rpm range. In addition, while this engine had fantastic cylinder filling ability at high RPMs, power was sacrificed in the low and mid RPMs due to low air velocity due to the intake runners and valves being so gigantic.
But it did remain powerful and good for the needs of the Formula 2 and European Hill Climb campaigns of BMW at the time. Good runs and fantastic accelerations were given with the BMW T100 F2 and Monti Bergspider both sporting different intake designs depending on the races. One was with intake on top – as header image – and the other with intake on each side of the head as below.


Sorry if unclear bust most sources in German, but trust me I can explain it properly in French !
Thanks to TouringMM for the information.


Just like Louis Chevrolet’s Stagger-Valve Frontenac.
ferrari also had the short lived stagger head v6
look like easy for single cylinder like ktm moto3, but multi silinder? super complex